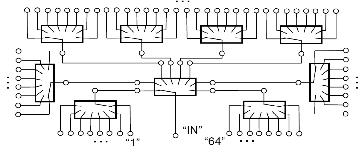
SP64T Switching Network

1 port to 64 port switching network consists of nine SP8T switches.

Design

SP8T switches are Hittite HMC321 non-reflective MMICs with integrated on board binary decoder circuits. The network is realized on RO4003 substrate (0.8 mm thick). 50 Ω coplanar waveguides with lower ground plane (CPWG) are used to route the RF signal between the MMICs. Filtering of control and power supply lines has been implemented in order to avoid a crosstalk through these lines.
The switching network operates using a positive control voltage of 0/+5 V, and requires a fixed bias of +5V.

Performance

The switching network has an insertion loss of less than 5 dB at frequencies below 3 GHz (9.6 dB up to 8 GHz) and at least 39 dB of isolation.